Лякався ще Ейнштейн: вчені вперше сфотографували таємниче явище

Фізики з Університету Глазго в Шотландії зробили першу в світі фотографію квантової заплутаності - феномена, настільки дивного, що Ейнштейн назвав його "жахливою дією на відстані".
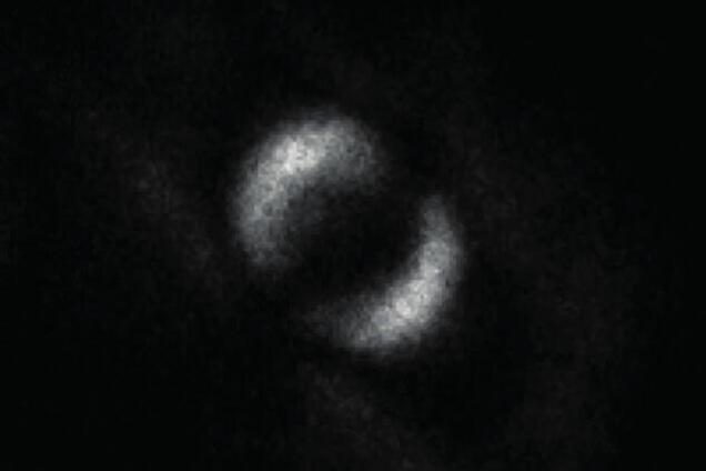
"Це нечітке сіре зображення - перший раз, коли ми бачимо взаємодію частинок, що лежить в основі квантової механіки і формує основу квантових обчислень", - зазначили вчені, пише Daily Mail.
Квантова заплутаність виникає, коли дві частинки стають нерозривно пов'язаними, і те, що відбувається з однієї, тут же впливає на іншу, незалежно від того, наскільки далеко вони знаходяться один від одного. Звідси і опис Ейнштейна - "страшна дія на відстані".
Ця конкретна фотографія показує заплутаність між двома фотонами - двома частинками світла. Вони взаємодіють і на короткий час діляться фізичними станами.
Читайте: "Нібіру чекають!" У небі над Китаєм відбулося рідкісне явище
Автори відзначають, що на фото зображена сукупність кількох зображень фотонів, що проходять через серію чотирьох фазових переходів. В ході цього камера і зафіксувала, як дві частинки змістилися однаково, незважаючи на те, що вони були розділені. Тобто, вони виявилися "заплутані".
Як повідомляв OBOZREVATEL, раніше канадські вчені розгадали таємницю незвичайного природного явища – дуг, які все частіше з'являються в небі.










